您的位置:产品介绍 >> EI工字型骨架 | EI14 - EI76.2 - EI120
     
 
实物图(型号)
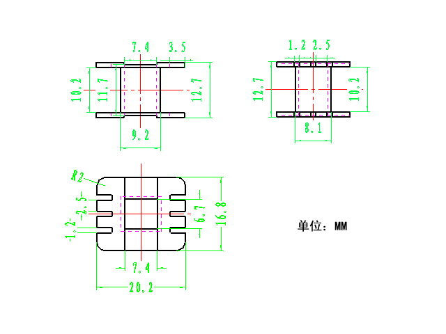
结构图(规格)
PA66(价格)
进口PA66(价格)
 
EI13
适用于EI13矽钢片      
G13-6 3×6      
EI14
适用EI14矽钢片      
G14-5 3.5×5     (森美)
EI16
适用EI16矽钢片      
G16-5 4×5      
EI19
适用EI19矽钢片      
G19-6 5×6     (森美)
G19-12 5×12      
EI24
适用EI24矽钢片      
G24-7 6×7    
(森美)
G24-7 6×7  
*
 
         
EI28
适用EI28矽钢片      
G28-11 8×11     (森美)
G28-11.5 8×11.5      
G28-12 8×12     (森美)
G28-12-2 8×12-2      
G28-15 8×15     (森美)
G28-18 8×18      
EI30
适用EI30矽钢片      
G30-12 10×12     (森美)
         
EI35
适用EI35矽钢片      
G35-10 10×10     (森美)
G35-10-2 10×10-2     (美歌)
G35-10Non-Std 10×10Non-Std   (森美)
G35-13 10×13     (森美)
G35-13 10×13     (成都)
G35-13-2 10×13-2     (森美)
G35-14 10×14  
*
 
G35-15 10×15     (森美)
G35-15Non-Std 10×15Non-Std   (森美)
G35-18 10×18     (森美)
G35-25 10×25     (美歌)
EI41
适用EI41矽钢片      
G41-14 13×14  
#
 
G41-15 13×15     (森美)
G41-16 13×16      
G41-17 13×17     (森美)
         
G41-20 13×20     (成都)(森美)
G41-25 13×25     (森美)
G41-25-2 13×25-2     (森美)
         
EI42
适用EI42矽钢片      
M42-15.7 13×15.7     (森美)
EI48
适用EI48矽钢片      
G48-16 16×16     (森美)
G48-18 16×18     (森美)
G48-18-2 16×18-2     (森美)
G48-20 16×20(新)
  新模具 (森美)
G48-20 16×20     (成都)(森美)
G48-22 16×22  
(美歌)
G48-24 16×24  
(森美)
G48-24 16×24     (成都)
G48-24-2 16×24-2      
G48-28 16×28     (森美)
G48-30 16×30     (森美)
G48-30 16×30     (成都)
G48-30-2 16×30-2     (森美)
G48-34 16×34     (森美)
G48-34-2 16×34-2     (森美)
         
EI54
适用EI54矽钢片      
G54-20 18×20     (森美)
G54-25 18×25     (森美)
G54-30 18×30     (森美)
G54-34 18×34      
         
EI57
适用EI57矽钢片      
G57-15 19×15     (森美)
G57-15-2 19×15-2     (森美)
G57-19 19×19     (美歌)
G57-19.5 19×19.5     (成都)
G57-20 19×20     更新模具 (森美)
G57-24 19×24    
G57-25-2 19×25-2  
(成都) (森美)
G57-26 19×26      
G57-28 19×28     (森美)
G57-30 19×30
  更新模具 (森美)
G57-30-2 19×30-2     (成都)
G57-35 19×35      
G57-38 19×38     (森美)
EI60
适用EI60矽钢片      
G60-21 20×21     (森美)
G60-25 20×25     (森美)
G60-30 20×30     (森美)
G60-30-2 20×30-2     (森美)
G60-32.5 20×32.5     (成都)
G60-35 20×35      
EI66
适用EI66矽钢片      
G66-18 22×18     (森美)
G66-23 22×23     (森美)
G66-25 22×25     (森美)
G66-25-2 22×25-2     (成都)
G66-28 22×28  
(森美)
G66-28 22×28     (成都)
G66-30 22×30
  (森美)
G66-32.5 22×32.5  
*
 
G66-33 22×33     (森美)
G66-33 22×33     (成都)
G66-35 22×35     (森美)
G66-36 22×36     (森美)更新
G66-38 22×38     (森美)
G66-40 22×40     (森美)更新
G66-40-2 22×40-2     (森美)
G66-40-3 22×40-3     (森美)
G66-44 22×44     (森美) 更新
G66-48 22×48     (森美)
G66-60 22×60     (森美)
注:以上价格含税不含运费。特殊规格,可根据客户要求开模!
共三页< 123 > 下一页>>
 
电话:0573-85188118 85188128 | 传真:0573-85188138 | 版权所有 浙江美声电气股份有限公司 Copyright©2003-2026

查看森美电子联系

查看成都美声联系

查看美歌电器联系